1. Структура машины и главный модуль шпинделя применяются с чугуном Meehanite с дизайном ребра высокой ригидности. Вся конструкция отлита за один раз и обработана для устранения стресса. Чтобы обеспечить точность при длительном использовании
2. Высокая точность, высокая эффективность
Допуск обработки составляет ± 0003 мм, более высокая эффективность, которая приводится в действие новым контроллером и двигателем, сокращает время обработки
3. Отличные универсальные перерабатывающие мощности.
Отличные режущие инструменты обеспечивают производительность обработки и повышают удовлетворенность клиентов.
4. Широкий диапазон материальной обработки
Хорошо обрабатывать различные материалы, включая нержавеющую сталь, алюминиевый сплав, медь, титановый сплав, подходящие для сценариев применения в различных областях.
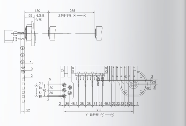
Пункт | СА263 | СА203 | ||
Максимальный диаметр обработки | Φ 26 мм | Φ 20 мм | ||
Максимальный ход передней бабки | Стандартная направляющая втулка | 255 мм | 255 мм | |
Втулка Не-проводника | 2,5D | 2,5D | ||
Токарный инструмент | Количество инструментов | 6 шт. | 6 шт. | |
Технические характеристики инструмента | □ 12 мм | □ 12 мм | ||
Лицевой держатель | Количество инструментов | Фронтальная работа | 5 шт. | |
Задняя часть работы | 2 шт (макс. 5 шт) | |||
Макс. сверление | Фиксированные инструменты | Φ 10 мм | ||
Макс. нарезание резьбы | Крепежные инструменты | M8 * P1, 25 | ||
| Перекрестный инструментальный блок | Количество инструментов | 5 шт. | ||
Технические характеристики инструмента | ER16 | |||
Максимальное бурение | Φ 8 мм (ER16) | |||
Максимальное нарезание резьбы | M6 * P1.0(ER16 | |||
Максимальное фрезерование | Φ 10 мм | |||
Максимальный фрезерный прорезать | Ширина 1,5, глубина 4 мм | |||
Скорость шпинделя | ER16 | 6 000 мин-1 | ||
Мощность привода | 1 кВт | |||
Z1 | 32 м/мин | |||
X1 | 32 м/мин | |||
Y1 | 32 м/мин | |||
Главный шпиндель Макс. скорость | 10 000 мин-1 (7 000 мин-1 г. б.) | |||
Угол индексации главного шпинделя | Управление C-оси (0001 °) | |||
Мощность главного шпинделя | 2,2/3,7 кВт | |||
Главный шпиндель Через диаметр отверстия | Φ 27 мм | |||
Емкость охлаждающей жидкости | 170л | |||
Охлаждая сила мотора | 0,4 кВт | |||
Габаритные размеры (длина * ширина * высота) | 1900*1300*1780 мм | |||
Вес машины | 2000 кг | |||
Для получения более подробной информации, пожалуйста, напишите намInfo@remcortechnology.com

Для получения более подробной информации, пожалуйста, напишите намInfo@remcortechnology.com
Не стесняйтесь позвонить нам или оставить сообщение, если у вас есть какие-либо вопросы.