1. Структура машины и главный модуль шпинделя применяются с чугуном Meehanite с дизайном ребра высокой ригидности. Вся конструкция отлита за один раз и обработана для устранения стресса. Чтобы обеспечить точность при длительном использовании
2. Высокая точность, высокая эффективность, меньше хвостовой обработки
Допуск обработки составляет ± 0003 мм, добавьте специальную направляющую втулку, которая может минимизировать хвостовой материал.
3. сложные детали могут быть обработаны за один раз
Поддержки с максимальными 6 осями прессформ разницы которая делает ее возможной для одноразового завершения множественных процессов как поворачивать, филировать, сверлить, и выстукивая етк.
3. Широкий диапазон материальной обработки
Хорошо обрабатывать различные материалы, включая нержавеющую сталь, алюминиевый сплав, медь, титановый сплав, подходящие для сценариев применения в различных областях.
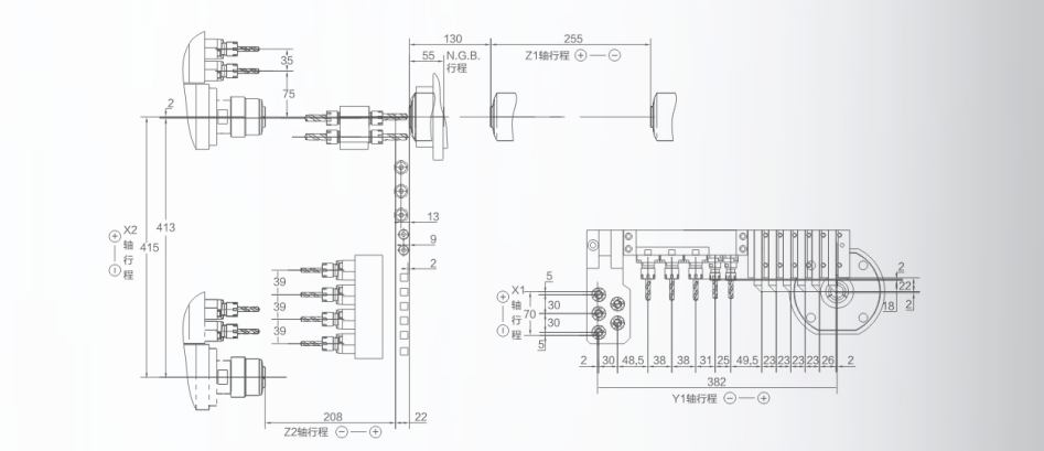
Пункт | SA265 | SA205 | |||
Максимальный диаметр обработки | Φ 26 мм | Φ 20 мм | |||
Максимальный ход передней бабки | Стандартная направляющая втулка | 260 мм | 260 мм | ||
Втулка Не-проводника | 2,5D | 2,5D | |||
Токарный инструмент | Количество инструментов | 6 шт. | 6 шт. | ||
Технические характеристики инструмента | □ 12 мм | □ 12 мм | |||
Лицевой держатель | Количество инструментов | Фронтальная работа | 5 шт. | ||
Задняя часть работы | 2 шт (макс. 5 шт) | ||||
Макс. сверление | Фиксированные инструменты | Φ 10 мм | |||
Макс. нарезание резьбы | Крепежные инструменты | M8 * P1, 25 | |||
| Перекрестный инструментальный блок | Количество инструментов | 5 шт. | |||
Технические характеристики инструмента | 5 ER16 | ||||
Максимальное бурение | Φ 8 мм (ER16) | ||||
Максимальное нарезание резьбы | M6 * P1.0(ER16) | ||||
Максимальное фрезерование | Φ 10 мм | ||||
Максимальный фрезерный прорезать | Ширина 1,5, глубина 4 мм | ||||
Скорость шпинделя | ER16 | 6 000 мин-1 | |||
ER11 | 8 000 мин-1 | ||||
Мощность привода | 1 кВт | ||||
Быстрая скорость движения | Z1 | 32 м/мин | |||
X1 | 32 м/мин | ||||
Y1 | 32 м/мин | ||||
ГлавнаяШпиндель макс. скорость | 10 000 мин.-1 (6 000 мин.-1 синхронная направляющая втулка) | ||||
ГлавнаяУгол индексации шпинделя | Управление C-оси (0001 °) | ||||
Мощность главного шпинделя | 2,2/3,7 кВт | ||||
Главный шпиндель Через диаметр отверстия | Φ 27 мм | Φ 22 мм | |||
Емкость охлаждающей жидкости | 170л | ||||
Охлаждая сила мотора | 0,4 кВт | ||||
Габаритные размеры (длина * ширина * высота) | 2300*1300*1780 мм | ||||
Вес машины | 2600 кг | ||||
■ Технические характеристики конфигурации второго шпинделя (SUB) | |||||
Максимальный диаметр обработки | Φ 26 мм | Φ 20 мм | |||
Максимальная длина разрядной части | 80 мм | ||||
Максимальная длина зажимного выступа | 50 мм | ||||
Обработка задней стороны | <Td width = "77" valign = "center" style = "padding: 0px 7px; граница-левая-ширина: 1px; граница-левая-цвет: оконный текст; граница-правая-ширина: 1px; граница-верхняя: нет; граница-низ-ширина: 1px; граница-низ-цвет: windowtext;">ER16 | 4-6 (фиксированный) | |||
Максимальное бурение | Крепежные инструменты | Φ 8 мм | |||
Инструменты вращения | Φ 6 мм | ||||
Максимальное нарезание резьбы | Крепежные инструменты | M8 * P1, 25 | |||
Инструменты вращения | M6 * P1.0 | ||||
Быстрая скорость движения | Z2 | 32 м/мин | |||
Х2 | 24 м/мин | ||||
| Максимальная скорость Sub шпинделя | 8 000 мин-1 | ||||
Под степень шпинделя | Управление C-оси (0001 °) | ||||
Sub мощность шпинделя | 1,5/2,2 кВт | ||||
Для получения более подробной информации, пожалуйста, напишите намInfo@remcortechnology.com

Для получения более подробной информации, пожалуйста, напишите намInfo@remcortechnology.com
Не стесняйтесь позвонить нам или оставить сообщение, если у вас есть какие-либо вопросы.