Nov 02 , 2025
Разница между традиционными токарными станками и швейцарскими токарными станками с ЧПУ-почему технология Remcor лидирует
В мире прецизионной обработки выбор между традиционным токарным станком и швейцарским токарным станком с ЧПУ может иметь огромное значение в производительности, точности и эффективности производства. В Remcor Technology мы специализируемся на обработке швейцарских токарных станков с ЧПУ, предлагая передовые решения, которые выходят за рамки традиционных методов токарной обработки.
Что такое традиционный токарный станок?
Традиционный токарный станок (также называемый ручным или обычным токарным станком)-это станок, используемый для вращения заготовки, в то время как различные режущие инструменты формируют ее в желаемую форму. Операторы вручную контролируют позиционирование инструмента, скорость подачи и скорость. В то время как традиционные токарные станки надежны для основной токарной обработки и простой геометрии, они требуют постоянного контроля оператора и менее эффективны для сложного, высокоточного или крупносерийного производства.

Что такое швейцарский токарный станок с ЧПУ?
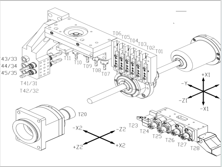
Швейцарский токарный станок с ЧПУ, также известный как автоматический токарный станок швейцарского типа, представляет собой передовую форму точной токарной технологии. В швейцарском токарном станке с ЧПУ заготовка поддерживается направляющей втулкой, что позволяет ей перемещаться вдоль оси Z, в то время как режущие инструменты работают очень близко к точке опоры. Эта конструкция сводит к минимуму отклонение и вибрацию, обеспечивая чрезвычайно точную и стабильную обработку даже для небольших, тонких или сложных деталей.

В отличие от традиционных токарных станков, швейцарский токарный станок с ЧПУ полностью управляется компьютером, что позволяет выполнять многоосевую обработку, автоматическую смену инструмента и непрерывную работу с минимальным вмешательством человека.
Преимущества швейцарских токарных станков с ЧПУ
1. Непревзойденная точность и точность
Швейцарские токарные станки с ЧПУ спроектированы для обеспечения микронной точности, что делает их идеальными для медицинских, аэрокосмических, электронных и высокотехнологичных применений, где важна каждая деталь.
2. Более высокая эффективность и производительность
Благодаря передовому многоосному управлению и одновременной обработке швейцарские токарные станки с ЧПУ значительно сокращают время цикла и увеличивают производительность по сравнению с традиционными токарными станками.
3. Превосходная отделка поверхности и последовательность
Дизайн втулки проводника обеспечивает минимальную вибрацию, поставляя безупречные поверхностные финиш и однородное качество через большие бега продукции.
4. Обработка сложных деталей в одной установке
Швейцарские токарные станки с ЧПУ могут выполнять несколько функцийОнс-поворачивать, филировать, сверлить, выстукивать-в одиночном процессе, уменьшая потребность для вторичной подвергать механической обработке или части регулируя.
5. Снижение зависимости оператора
После программирования швейцарские токарные станки с ЧПУ работают автоматически, что позволяет отключать производство и сводит к минимуму влияние изменений навыков оператора.
Швейцарский токарный станок с ЧПУ работает 24 часа без остановки благодаря соединению с устройством подачи прутка, обычно 1 человек может легко обрабатывать 5-6 машин, что значительно сокращает трудозатраты и повышает эффективность
Почему выбирают технологию Remcor для швейцарской токарной обработки с ЧПУ
В Remcor Technology мы вложили значительные средства в современные швейцарские токарные станки с ЧПУ и передовые системы автоматизации. Наша команда опытных инженеров и машинистов имеет большой опыт в области точного точения швейцарского типа, что позволяет нам поставлять высокоточные компоненты, которые соответствуют самым строгим отраслевым стандартам.
Наши сильные стороны включают:
• Современное оборудование, оснащенное высокопроизводительными швейцарскими токарными станками с ЧПУ
• Расширенные возможности программирования CAD/CAM для сложных геометрий
• Строгие системы контроля качества, обеспечивающие последовательность и надежность
• Быстрое время оборота и конкурентоспособные цены
• Решения таможни подвергая механической обработке портняжничанные к спецификациям клиента
Remcor Technology-ваш партнер в швейцарском токарном станке с ЧПУ
Если вам нужны высокоточные компоненты для медицинских приборов, аэрокосмических сборок, автомобильных систем или электронных разъемов, швейцарские токарные станки с ЧПУ от Remcor Technology обеспечивают точность, эффективность и надежность, которые требуются вашему проекту.
Сочетая передовые швейцарские технологии ЧПУ с многолетним производственным опытом, Remcor Technology выделяется как надежный партнер для всех ваших потребностей в точной обработке.